欢迎光临大柏电子科技(上海)有限公司
当前位置
首页 > 新闻中心
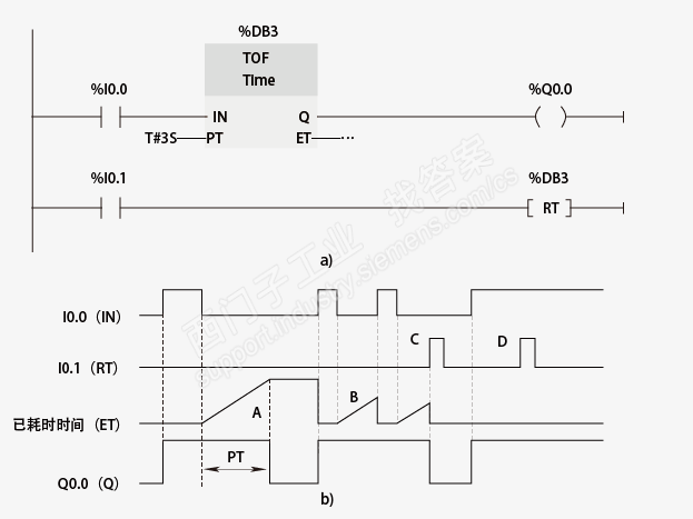
西门子断电延时定时器怎么复位的
2021/8/10 22:24:46
西门子断电延时定时器怎么复位的

这图里的时序图是不是不对的,应该只有i0.0的接通才会复位断电延时定时器吧

懂了,接通就是复位了
类似的问题,建议仿真获取理解。

联系方式
CONTACT US

电话:13818569113

邮箱:13916183699@139.com

网址:http://www.4008104288.net

地址:中国上海市青浦区北青公路7171号

用手机扫描二维码关闭